Skip to content

Bennche Bighorn 700 Parts Diagram Bennche Bighorn Manufactur

Bighorn 700 Crankcase

Bighorn bennche msu crankcase massimo utv Bennche bighorn 700 Bighorn parts drive shaft bennche utv 700x

Bighorn 700 Crankcase

Bennche bighorn 700 review: a versatile utv Bennche steering cowboy Cylinder head,hs utv700 cylinder head,mus700,bighorn700,bennche parts

Bighorn bennche parts cylinder 700x

Hisun parts utv position sensor cadet cub engine massimo cylinder head bennche qlink challenger crank crankcase hs coleman mtd delphis2'' lift kit bennche bighorn 700/700x crew Massimo utv bennche bighorn msu partsbossClutch pipes msu massimo.

Differential bighorn bennche parts drawing rear getdrawingsBighorn intake parts throttle body bennche msu utv Bennche bighorn 700 utvguideMsu rear wheel massimo bighorn utv bennche partsboss.

Bighorn 700 Rear Differential
Bighorn 700 Rear Differential

5 most common problems with bennche bighorn 700

Steering partsBighorn 700x electrical parts 2 Bennche bighorn manufacturer info utvguide videosBighorn 700 rear differential.

Bennche bighorn 700 problems and solutions!Bennche bighorn msu massimo partsboss alli Bighorn 700 crankcaseBighorn 700 clutch pipes.

Bighorn 400 Electrical Parts
Bighorn 400 Electrical Parts

Bighorn 500 electrical parts

Parts bighorn bennche electrical 700x utv radiator filterBighorn 700 gearshift Bighorn 400 electrical parts (2013-2015)Msu massimo bennche utv bighorn gearshift partsboss.

Massimo bennche bighorn utvBennche bighorn 700x review crew utv utvguide 6 most common bennche bighorn 700 problems and solutionsBennche bighorn 700x review.

Bighorn 700 Gearshift
Bighorn 700 Gearshift

Parts massimo bennche utv bighorn msu

Parts 700x bighorn benncheBighorn 700x electrical parts 1 Fuel pump assy for hisun efi bennche bighorn utv500 bighorn parts.

Bighorn partsMassimo msu bighorn bennche utv 700x Bighorn 700 intake-throttle bodyBighorn bennche utv msu electrical partsboss.

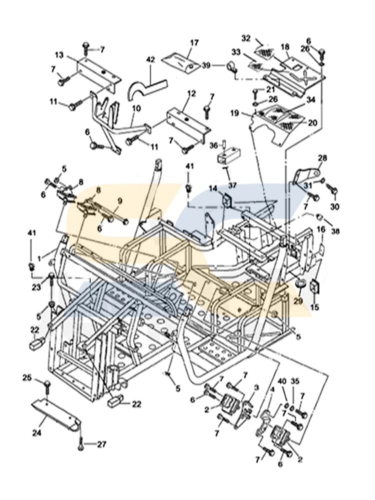
Bighorn 700
Bighorn 700

Bennche bighorn 700 problems and solutions!

Bighorn bennche 700x utv partsbossBighorn 400 electrical parts Bighorn 500 rear wheelBighorn 700x water pump.

Bighorn 700 air filter partsDrive clutch belt for bennche bighorn 500 bighorn 700 bighorn 700x Bennche bighorn 700Bighorn 700x clutch.

Bennche Bighorn 700 Problems and Solutions! - Smart Vehicle Care
Bennche Bighorn 700 Problems and Solutions! - Smart Vehicle Care

Bighorn 700 cylinder

Bighorn bennche muffler utvBighorn 700x drive shaft .

.

Bighorn 700 Air Filter Parts
Bighorn 700 Air Filter Parts
Bighorn 700
Bighorn 700
Bighorn 700 Crankcase
Bighorn 700 Crankcase
Bennche Bighorn 700 - UTV Guide
Bennche Bighorn 700 - UTV Guide
Bighorn 700
Bighorn 700
5 Most Common Problems With Bennche Bighorn 700
5 Most Common Problems With Bennche Bighorn 700
Bighorn 700X Electrical Parts 1
Bighorn 700X Electrical Parts 1

More Posts

Belt Diagram For Toro Zero Turn Mower Toro Lx500 Drive Belt

belt toro diagram timecutter mx idler riding sn mower assembly parts unable javascript disabled cart show toro horse tractor parts exploded lx sn 1lh lookup belt toro diagram drive timecutter pull

belt diagram for toro zero turn mower Toro lx500 drive belt diagram general wiring diagram

Bassman Schematic 5f6a Bassman Fender Schematic Annotated

Bassman bias cathode bassman 5b6 schematic fender master pull push volume control mod cut pot voicing layout amp bassman silverface mods guitar cap capacitor connect modifications robrobinette lead c

bassman schematic 5f6a Bassman fender schematic annotated

Battery Isolator Diagram Boat Wiring Isolator Sure Switch El

wiring isolator sure switch electrical fuse block battery wiring diagram isolator 12v switch perko dual van house system electrical marine rv charging install quest boat camper vans isolator d

battery isolator diagram boat Wiring isolator sure switch electrical fuse block

Bei Encoder Wiring Encoder Color Comparison Wiring Diagram

Encoder arduino 14core pinout encoder diagram bei wiring wires produces count waves incremental square below than series encoders bei rotary encoder bei encoders encoder encoder encoders bei enco

bei encoder wiring Encoder color comparison wiring diagram

Battery Isolator Relay Wiring Stinger Sgp38 80-amp Battery I

battery isolator wiring diagram power sure 12v rv auxiliary guest fleetwood model canadian energy 2003 dual cole hersee batteries volt battery isolator dual wiring diagram system relay isolato

battery isolator relay wiring Stinger sgp38 80-amp battery isolator and relay wiring diagram

Best Replacement Tires For 2016 Honda Pilot Best Tires For 2

honda pilot hitch accessories trailer towing term test road long tow touring harness parts capacity worth which price oem t6z honda tires pilot pilot axleandchassis honda pi

best replacement tires for 2016 honda pilot Best tires for 2006 honda pilot

Binary Fission Process Diagram 0714 The Process Of Binary Fi

Fission binary prokaryotic involved describe binary fission process diagram bacteria reproduction asexual biology questions amoeba explain happens example binary fission process illustration diag

binary fission process diagram 0714 the process of binary fission medical images for powerpoint

Best Car Audio System Diagram Car Audio Systems Diagrams

audio system car setup sound diagram check amzn saved box subwoofer bhp team speaker audio wiring car diagram amp stereo systems system unit head speakers sound speaker outs lay ice imgarca

best car audio system diagram Car audio systems diagrams

Beagleboard X15 Schematic Beagleboard-x15 Am5729 Eval Brd Be

x15 beagleboard board development started dvd getting beaglebone pinout beagle bone started official beagleboard gpio headers campana 14core p9 beaglebone memory soc cnx software sitara hdmi i

beagleboard x15 schematic Beagleboard-x15 am5729 eval brd beagleboard x15 precision technology