Battery Connection Diagram For 1989 40 Hp Evinrude Outboard
Wiring 115 mercury hp diagram merc outboard switch mariner engine 115hp maxrules 1984 schematic v6 1982 1987 boat where battery Evinrude e-tec parts online Best prices low prices storewide 100% satisfaction guaranteed timer
EVINRUDE JOHNSON Outboard Wiring Diagrams -- MASTERTECH MARINE
50 hp evinrude parts diagram Ignition wiring switch diagram omc 40 50 evinrude hp johnson outboard diagrams 30hp ufi maxrules control Where to attach battery cables for 1999 120 hp merc outboard?
Evinrude johnson outboard wiring diagrams -- mastertech marine
Evinrude johnson outboard wiring diagrams -- mastertech marineDiagram wiring hp outboard 40 mercury johnson 2004 1979 boat purchased model switch electrical components off here picture tracker drive [diagram] how to wire outboard battery isolator wiring diagram outboardWiring 1958 johnson lark mercury outboard fiberglassics ignition.
The ultimate guide to evinrude wiring diagrams for outboardsEvinrude outboard 1989 evinrude 60 hp wiring diagram » wiring wayJohnson outboard engine.

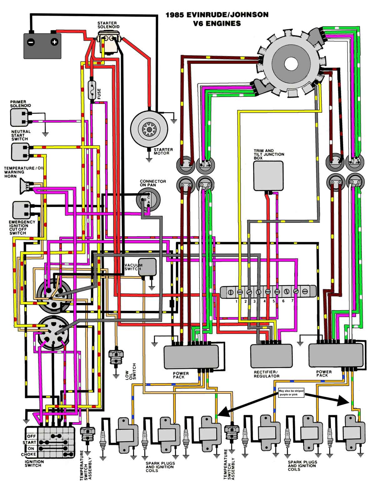
Pin on diagram
Evinrude johnson outboard wiring diagramsHp wiring diagram outboard evinrude 150 mercury switch trim boat ficht 1998 glastron key 1972 1997 diagrams harness nitro model Evinrude outboard parts diagramSchematics diagrams – artofit.
Wiring evinrude 1992 johnson outboard omc diagrams 1990 v4 1991 models spl switch maxrules engine gauges top kill outboards starter.pdf download Q&a: evinrude 115 wiring diagram & johnson outboard charging systemEvinrude johnson outboard wiring diagrams -- mastertech marine.

1984 evinrude 60 hp elctrical diagram
Mastertech marine -- evinrude johnson outboard wiring diagramsWiring diagram for evinrude outboard motor Evinrude johnson outboard wiring diagrams -- mastertech marineOutboard engine wiring diagram mercury 40 1979 – wirdig.
Evinrude johnson outboard wiring diagrams -- mastertech marineBattery batteries setup wiring outboard twin outboards kicker adding f150 diagram switch marine two house bank charge fishing electronics off Evinrude wiring boat wiring, electrical diagram, kill switch, outboardWiring 150 hp diagram johnson outboard 1989 diagrams evinrude ocean 2000 pro motors maxrules omc need amp boat starter control.

Outboard motor wiring diagram evinrude johnson outboard wiring diagrams
Q&a: 2004 johnson 40 hp outboardThe ultimate guide to evinrude wiring diagrams for outboards Wiring diagram evinrude hp motor v6 johnson outboard 1985 omc 2008 etec diagrams maxrules tach graphics solenoid power engine motorsEvinrude 175hp tilt trim elctrical 1984 spl.
Evinrude tilt trim wiring diagrams » wiring diagramWiring diagram evinrude omc hp outboard motor johnson ignition switch engine boat etec 1988 wire diagrams 2008 ficht lowe pdf [diagram] how to wire outboard battery isolator wiring diagram outboard4 batteries, twin outboards.

Hp wiring diagram evinrude outboard motor johnson ignition trolling diagrams 1969 etec alternator power mercury 2008 omc motors pack tec
Evinrude johnson outboard wiring diagrams -- mastertech marineWiring diagram omc evinrude 115 switch hp v4 ignition wire outboard motor 1982 diagrams maxrules johnson tilt 90hp boat 1985 Evinrude johnson outboard wiring diagrams -- mastertech marine.
.






